產(chan)品(pin)分類PRODUCT CATEGORY
-
聯軸(zhou)器(qi)膜(mo)片
-
膜(mo)片聯軸(zhou)器(qi)
-
膜(mo)盤聯軸(zhou)器(qi)
-
蛇(she)形彈簧(huang)聯(lian)軸(zhou)器(qi)
-
鼓(gu)型齒式聯軸(zhou)器(qi)
-
滾(gun)珠(zhu)聯(lian)軸(zhou)器(qi)
-
星(xing)形彈性(xing)聯(lian)軸(zhou)器(qi)
-
梅花(hua)形彈性(xing)聯(lian)軸(zhou)器(qi)
-
彈性(xing)套(tao)柱(zhu)銷(xiao)聯軸(zhou)器(qi)
-
LK型(xing)彈性(xing)塊聯軸(zhou)器(qi)
-
彈性(xing)柱(zhu)銷(xiao)聯軸(zhou)器(qi)
-
徑(jing)向彈性(xing)柱(zhu)銷(xiao)聯軸(zhou)器(qi)
-
彈性(xing)柱(zhu)銷(xiao)齒式(shi)聯軸(zhou)器(qi)
-
泵(beng)用(yong)聯(lian)軸(zhou)器(qi)
-
滾(gun)子鏈聯(lian)軸(zhou)器(qi)
-
剛(gang)性(xing)聯(lian)軸(zhou)器(qi)
-
滑(hua)塊聯軸(zhou)器(qi)
-
輪(lun)胎(tai)聯(lian)軸(zhou)器(qi)
-
萬向(xiang)軸(zhou)聯軸(zhou)器(qi)
-
夾(jia)殼聯軸(zhou)器(qi)
-
定做(zuo)異(yi)型聯軸(zhou)器(qi)
-
聯(lian)軸(zhou)器(qi)配件
-
聯軸(zhou)器(qi)原材料(liao)
-
脹(zhang)緊套
-
皮帶輪(lun)
行業(ye)動(dong)態(tai)NEWS INFORMATION
膜(mo)片聯軸(zhou)器(qi)的(de)膜(mo)片安裝(zhuang)有沒(mei)有具(ju)體的(de)方向(xiang)要求
膜(mo)片聯軸(zhou)器(qi)產(chan)生(sheng)異(yi)響(xiang)的(de)原因以(yi)及熱裝(zhuang)時(shi)的(de)操作註意(yi)事(shi)項
膜(mo)片聯軸(zhou)器(qi)加(jia)工註意(yi)事(shi)項與結(jie)構
膜(mo)片型聯(lian)軸(zhou)器(qi)的(de)選型與(yu)旋(xuan)轉(zhuan)時(shi)的(de)應(ying)力(li)
膜(mo)片聯軸(zhou)器(qi)的(de)應(ying)用(yong)需要哪(na)些(xie)設(she)備(bei)的(de)配合?

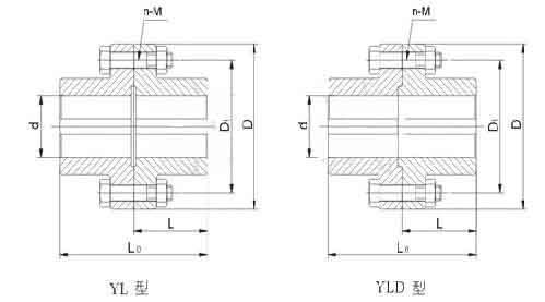
YLD型(xing)凸(tu)緣(yuan)聯(lian)軸(zhou)器(qi)
YL型(xing)凸(tu)緣(yuan)聯(lian)軸(zhou)器(qi)、YLD凸(tu)緣(yuan)聯(lian)軸(zhou)器(qi)依照(zhao)國(guo)標(biao)GB5843-86之標(biao)準(zhun)制造(zao)。該(gai)類型(xing)聯(lian)軸(zhou)器(qi)主要(yao)適(shi)用(yong)於(yu)聯接兩(liang)同(tong)軸(zhou)線的(de)圓(yuan)柱(zhu)形傳動(dong)軸(zhou)系,傳(chuan)遞(di)的公(gong)稱轉(zhuan)矩(ju)為(wei)10-20000N.m。...
立(li)即訂購(gou) 產(chan)品(pin)詳情
YL型凸(tu)緣(yuan)聯(lian)軸(zhou)器(qi)、YLD凸(tu)緣(yuan)聯(lian)軸(zhou)器(qi)依照(zhao)國(guo)標(biao)GB5843-86之標(biao)準(zhun)制造(zao)。該(gai)類型(xing)聯(lian)軸(zhou)器(qi)主要(yao)適(shi)用(yong)於(yu)聯接兩(liang)同(tong)軸(zhou)線的(de)圓(yuan)柱(zhu)形傳動(dong)軸(zhou)系,傳(chuan)遞(di)的公(gong)稱轉(zhuan)矩(ju)為(wei)10-20000N.m。
YL型凸(tu)緣(yuan)聯(lian)軸(zhou)器(qi)和(he)YL型(xing)凸(tu)緣(yuan)聯(lian)軸(zhou)器(qi)的(de)結(jie)構和(he)基(ji)本參(can)數(shu)為(wei):

| 型(xing)號 |
公稱扭矩(ju) Tn(N·m) | 許(xu)用(yong)轉(zhuan)速[n]r/min | 軸(zhou)孔(kong)直徑(jing)d(H7) | 軸(zhou)孔(kong)長度(du)L | D | D1 | 螺栓(shuan) | L0 |
轉(zhuan)動(dong)慣(guan)量 (kg.m2) |
重(zhong)量 (kg.m3) | ||||||
| Y型 | J1型(xing) |
數(shu)量 n | 直徑(jing)M | |||||||||||||
| 鐵(tie) | 鋼(gang) | 鐵(tie) | 鋼(gang) | Y型 | J1型(xing) | |||||||||||
| YL1 YLD1 | 10 | 8100 | 13000 |
10 11 |
10 11 | 25 | 22 | 71 | 53 | 3(3) | M6 | 54 | 48 | 0.0018 | 0.94 | |
|
12 14 |
12 14 | 32 | 27 | 68 | 58 | |||||||||||
|
16 18 19 |
16 18 19 | 42 | 30 | 88 | 64 | |||||||||||
|
20 - |
20 22 | 52 | 38 | 108 | 80 | |||||||||||
| YL2 YLD2 | 16 | 7200 | 12000 |
12 14 |
12 14 | 32 | 27 | 80 | 64 | 4(4) | M6 | 68 | 58 | 0.0035 | 1.50 | |
|
16 18 19 |
16 18 19 | 42 | 30 | 88 | 64 | |||||||||||
|
20 22 |
20 22 | 52 | 38 | 108 | 80 | |||||||||||
| YL3 YLD3 | 25 | 6400 | 10000 | 14 | 14 | 32 | 27 | 90 | 69 | 3(3) | M8 | 68 | 58 | 0.0060 | 1.99 | |
|
16 18 19 |
16 18 19 | 42 | 30 | |||||||||||||
| 88 | 64 | |||||||||||||||
|
20 22- |
20 22 24 | 52 | 38 | 108 | 80 | |||||||||||
| 128 | 92 | |||||||||||||||
| YL4 YLD4 | 40 | 5700 | 9500 |
18 19 |
18 19 | 42 | 30 | 100 | 80 | 3(3) | M8 | 88 | 64 | 0.0093 | 2.47 | |
|
20 22 24 |
20 22 24 | 52 | 38 | 108 | 80 | |||||||||||
|
25 - |
25 28 | 62 | 44 | 128 | 92 | |||||||||||
| YL5 YLD5 | 63 | 5500 | 9000 |
22 24 |
22 24 | 52 | 38 | 105 | 85 | 4(4) | M8 | 108 | 80 | 0.013 | 3.19 | |
|
25 28 |
25 28 | 62 | 44 | 128 | 92 | |||||||||||
|
30 - |
30 32 | 82 | 60 | 168 | 124 | |||||||||||
| YL6 YLD6 | 100 | 5200 | 8000 | 24 | 24 | 52 | 38 | 110 | 90 | 4(4) | M8 | 108 | 80 | 0.017 | 3.99 | |
|
25 28 |
25 28 | 62 | 44 | 128 | 92 | |||||||||||
|
30 32 - |
30 32 35 | 82 | 60 | 168 | 124 | |||||||||||
| YL7 YLD7 | 160 | 4800 | 7600 | 28 | 28 | 62 | 44 | 120 | 95 | 4(3) | M10 | 128 | 92 | 0.029 | 5.66 | |
|
30 32 35 38 |
30 32 35 38 | 82 | 60 | 168 | 124 | |||||||||||
| - | 40 | 112 | 84 | 228 | 172 | |||||||||||
| YL8 YLD8 | 250 | 4300 | 7000 | 32 35 38 |
32 35 38 | 82 | 60 | 130 | 105 | 4(3) | M10 | 169 | 125 | 0.043 | 7.29 | |
|
40 42 - |
40 42 45 | 112 | 84 | 229 | 173 | 6.53 | ||||||||||
| YL9 YLD9 | 630 | 4100 | 6800 | 38 | 38 | 82 | 60 | 140 | 115 | 6(3) | M10 | 169 | 125 | 0.064 | 9.53 | |
| 112 | 84 | 229 | 173 | |||||||||||||
|
40 42 45 48 - |
40 42 45 48 50 | |||||||||||||||
| YL10 YLD10 | 630 | 3600 | 6000 |
45 48 50 55 - |
45 48 50 55 56 | 160 | 130 | 6(4) | M12 | 0.112 | 12.46 | |||||
| - | 60 | 142 | 107 | 289 | 219 | |||||||||||
| YL11 YLD11 | 1000 | 3200 | 5300 | 50 55 56 |
50 55 56 | 112 | 84 | 180 | 150 | 8(4) | M12 | 229 | 173 | 0.205 | 17.97 | |
|
60 63 65 - |
60 63 65 70 | 142 | 107 | 289 | 219 | |||||||||||
| YL12 YLD12 | 1600 | 2900 | 4700 | 60 63 65 70 71 75 |
60 63 65 70 71 75 | 200 | 170 | 12(6) | M12 | 0.443 | 30.62 | |||||
| - | 80 | 52 | 38 | 349 | 269 | 0.463 | 29.52 | |||||||||
| YL13 YLD13 | 2500 | 2600 | 4300 | 70 71 75 |
70 71 75 | 142 | 107 | 220 | 185 | 8(6) | M16 | 289 | 219 | 0.646 | 35.58 | |
|
80 85 - |
80 85 90 | 172 | 132 | 349 | 269 | |||||||||||
| YL14 YLD14 | 4000 | 2300 | 4800 | 80 85 90 95 |
80 85 90 95 | 172 | 132 | 250 | 215 | 12(8) | M16 | 350 | 270 | 1.353 | 57.13 | |
|
100 - | 100 110 | 212 | 167 | 430 | 340 | |||||||||||
| YL15 YLD15 | 6300 | 2000 | 3400 |
- - |
90 95 | 172 | 132 | 290 | 250 | 12(6) | M20 | 350 | 270 | 2.854 | 89.59 | |
|
100 110 120 - | 100 110 120 125 | 212 | 167 | 430 | 340 | |||||||||||
| YL16 YLD16 | 10000 | 1800 | 3000 |
- - 120 125 | 100 110 120 125 | 340 | 290 | 12(6) | M24 | 5.271 | 119.57 | |||||
|
130 - | 130 140 | 252 | 202 | 510 | 410 | |||||||||||
| YL17 YLD17 | 14000 | 1600 | 2600 |
- - | 120 125 | 212 | 167 | 380 | 330 | 12(6) | M24 | 430 | 340 | 9.139 | 171.71 | |
| 130 140 150 | 130 140 150 | 252 | 202 | 510 | 410 | |||||||||||
| - | 160 | 302 | 242 | 610 | 490 | |||||||||||
| YL18 YLD18 | 20000 | 1400 | 2300 |
- - | 140 150 | 252 | 202 | 420 | 360 | 12(6) | M30 | 510 | 410 | (17.883) | (263.5) | |
|
- - - | 160 170 180 | 302 | 242 | 610 | 490 | |||||||||||

唐(tang)山YLD型(xing)凸(tu)緣(yuan)聯(lian)軸(zhou)器(qi) 山東(dong)YLD型(xing)凸(tu)緣(yuan)聯(lian)軸(zhou)器(qi)

LJJ型(xing)接中間軸(zhou)徑向(xiang)彈性(xing)柱(zhu)銷(xiao)聯軸(zhou)器(qi)
LJJ型(xing)徑向彈性(xing)柱(zhu)銷(xiao)聯軸(zhou)器(qi)適(shi)用(yong)...

SJM型(xing)鍵聯結(jie)雙(shuang)型(xing)彈性(xing)膜(mo)片聯軸(zhou)器(qi)
SJM型(xing)鍵聯結(jie)雙(shuang)型(xing)彈性(xing)膜(mo)片聯軸(zhou)...

SJM雙(shuang)型(xing)膜(mo)片聯軸(zhou)器(qi)
...

JQ夾(jia)殼聯軸(zhou)器(qi)
夾(jia)殼聯軸(zhou)器(qi)是(shi)利用(yong)兩(liang)個(ge)沿(yan)軸(zhou)向...

