-
聯軸器膜片
-
膜片聯軸器(qi)
-
膜盤(pan)聯軸(zhou)器
-
蛇形(xing)彈簧聯軸器
-
鼓型齒(chi)式聯(lian)軸(zhou)器(qi)
-
滾(gun)珠聯(lian)軸(zhou)器(qi)
-
星形(xing)彈性(xing)聯(lian)軸(zhou)器(qi)
-
梅(mei)花(hua)形(xing)彈性(xing)聯(lian)軸(zhou)器(qi)
-
彈(dan)性(xing)套(tao)柱銷(xiao)聯軸(zhou)器
-
LK型彈性(xing)塊(kuai)聯(lian)軸(zhou)器(qi)
-
彈性(xing)柱銷(xiao)聯軸(zhou)器
-
徑向(xiang)彈(dan)性(xing)柱銷(xiao)聯軸(zhou)器
-
彈性(xing)柱銷(xiao)齒式聯(lian)軸(zhou)器(qi)
-
泵用聯(lian)軸(zhou)器
-
滾(gun)子(zi)鏈聯(lian)軸(zhou)器(qi)
-
剛性(xing)聯(lian)軸(zhou)器(qi)
-
滑塊(kuai)聯(lian)軸(zhou)器(qi)
-
輪(lun)胎(tai)聯(lian)軸(zhou)器(qi)
-
萬(wan)向(xiang)軸(zhou)聯(lian)軸(zhou)器(qi)
-
夾(jia)殼(ke)聯(lian)軸(zhou)器(qi)
-
定做異型聯(lian)軸(zhou)器
-
聯軸(zhou)器配(pei)件(jian)
-
聯(lian)軸(zhou)器原(yuan)材料
-
脹(zhang)緊套
-
皮(pi)帶輪(lun)

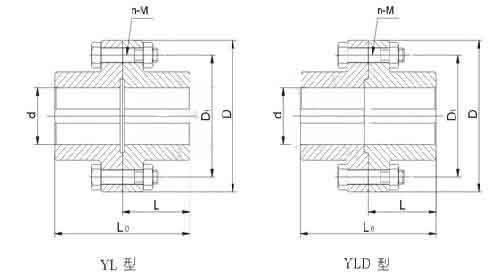
YL凸緣聯(lian)軸(zhou)器




凸緣聯(lian)軸(zhou)器屬(shu)於(yu)剛(gang)性(xing)聯(lian)軸(zhou)器(qi),是(shi)把兩個(ge)帶有凸緣的(de)半(ban)聯軸(zhou)器用普(pu)通平鍵分(fen)別與兩軸(zhou)連接,然(ran)後用(yong)螺栓把兩個(ge)半聯(lian)軸器(qi)連成(cheng)壹體,以傳遞(di)運動和轉(zhuan)矩。這種聯(lian)軸(zhou)器有兩種主要(yao)的(de)結(jie)構形(xing)式:
①靠(kao)鉸制孔用螺(luo)栓來實現(xian)兩軸(zhou)對中(zhong)和靠螺(luo)栓桿承(cheng)受(shou)擠壓(ya)與剪(jian)切來傳遞(di)轉(zhuan)矩;
②靠(kao)壹個(ge)半聯(lian)軸器(qi)上的凸肩與另(ling)壹(yi)個(ge)半聯(lian)軸器(qi)上的凹槽(cao)相配(pei)合(he)而對(dui)中(zhong)。連接兩個(ge)半聯(lian)軸器(qi)的螺栓可以采用(yong)A ji和B級的(de)普(pu)通螺栓,轉(zhuan)矩靠(kao)兩個(ge)半聯(lian)軸器(qi)結(jie)合(he)面(mian)的(de)摩(mo)擦(ca)力(li)矩來傳遞(di)。
凸緣聯(lian)軸(zhou)器的(de)材料可用灰(hui)鑄鐵或(huo)碳(tan)鋼,重(zhong)載(zai)時或(huo)圓周(zhou)速(su)度(du)大於(yu)30米/秒(miao)時應用(yong)鑄(zhu)鋼或鍛(duan)鋼。凸緣聯(lian)軸(zhou)器對(dui)兩軸(zhou)對中(zhong)性(xing)的(de)要(yao)求(qiu)很高(gao),當兩軸(zhou)有相對位(wei)移存(cun)在時, 就會(hui)在機(ji)件內(nei)引起(qi)附(fu)加(jia)載(zai)荷,使(shi)工(gong)作(zuo)情(qing)況惡化(hua),這是它(ta)的主要(yao)缺點(dian)。但(dan)由於(yu)結(jie)構簡(jian)單、成(cheng)本(ben)低(di)、可傳(chuan)遞(di)較(jiao)大轉(zhuan)矩,故(gu)當(dang)轉(zhuan)速低(di)、無沖(chong)擊、軸(zhou)的剛性(xing)大。


聯軸器(qi)膜片
●訂做各種分(fen)體,整(zheng)體聯軸器(qi)膜...

WH滑塊(kuai)型(xing)聯(lian)軸(zhou)器
...

LJJ型接中(zhong)間軸徑向(xiang)彈(dan)性(xing)柱銷(xiao)聯軸(zhou)器
LJJ型徑向(xiang)彈(dan)性(xing)柱銷(xiao)聯軸(zhou)器適用...

T31雙法蘭(lan)接蛇(she)形(xing)彈簧聯軸器
蛇(she)形(xing)彈簧聯軸器其(qi)主要(yao)結(jie)構是(shi)...
