-
聯軸(zhou)器膜(mo)片
-
膜(mo)片聯軸(zhou)器
-
膜(mo)盤(pan)聯軸(zhou)器
-
蛇形(xing)彈(dan)簧(huang)聯軸(zhou)器
-
鼓型(xing)齒(chi)式(shi)聯軸(zhou)器
-
滾珠(zhu)聯軸(zhou)器
-
星(xing)形(xing)彈(dan)性(xing)聯軸(zhou)器
-
梅花(hua)形(xing)彈(dan)性(xing)聯軸(zhou)器
-
彈(dan)性(xing)套柱(zhu)銷(xiao)聯軸(zhou)器
-
LK型(xing)彈(dan)性(xing)塊聯軸(zhou)器
-
彈(dan)性(xing)柱(zhu)銷(xiao)聯軸(zhou)器
-
徑(jing)向彈(dan)性(xing)柱(zhu)銷(xiao)聯軸(zhou)器
-
彈(dan)性(xing)柱(zhu)銷(xiao)齒(chi)式(shi)聯軸(zhou)器
-
泵用(yong)聯軸(zhou)器
-
滾子鏈(lian)聯軸(zhou)器
-
剛性(xing)聯軸(zhou)器
-
滑塊聯軸(zhou)器
-
輪(lun)胎(tai)聯(lian)軸(zhou)器
-
萬向軸(zhou)聯軸(zhou)器
-
夾殼聯(lian)軸(zhou)器
-
定(ding)做異(yi)型(xing)聯軸(zhou)器
-
聯軸(zhou)器配件(jian)
-
聯軸(zhou)器原(yuan)材(cai)料(liao)
-
脹(zhang)緊(jin)套
-
皮帶輪(lun)

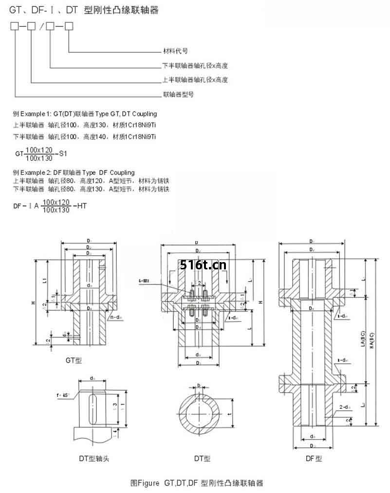
DF-Ⅰ、DT型(xing)剛性(xing)凸緣(yuan)聯軸(zhou)器

GT、DF-Ⅰ、DT型(xing)剛性(xing)凸緣(yuan)聯軸(zhou)器主要(yao)用(yong)於化工攪拌裝(zhuang)置軸(zhou)的(de)聯結,GT、DT兩型(xing)均(jun)為(wei)凸緣(yuan)聯軸(zhou)器,對中性(xing)好, 配(pei)用軸(zhou)頭為(wei)C型(xing)。其中DT型(xing)帶有(you)軸(zhou)端壓(ya)板(ban),能承受軸(zhou)向負載。而(er)GT型(xing)則不(bu)帶軸(zhou)端壓(ya)板(ban),只(zhi)能傳遞(di)扭矩(ju)。
DF型(xing)為(wei)剛性(xing)凸緣(yuan)三分(fen)式(shi)聯軸(zhou)器,與XD機(ji)架配(pei)用(yong)。按(an)其(qi)帶短節長(chang)度(du)不(bu)同分(fen)為(wei)A、B、C三型(xing)。其兩端半(ban)聯軸(zhou)器等同DT型(xing)聯軸(zhou)器。在不(bu)拆除減(jian)速機(ji)和(he)機(ji)架的(de)條(tiao)件(jian)下,聯(lian)軸(zhou)器短節拆卸後(hou),其留出的(de)空(kong)間(jian)可供(gong)下半(ban)聯(lian)軸(zhou)器、機(ji)架支(zhi)承軸(zhou)承室及密(mi)封(feng)裝(zhuang)置裝(zhuang)卸之用。
凸緣(yuan)聯軸(zhou)器的(de)基(ji)本(ben)參數(shu)為(wei):



唐山DF-Ⅰ、DT型(xing)剛性(xing)凸緣(yuan)聯軸(zhou)器 山東(dong)DF-Ⅰ、DT型(xing)剛性(xing)凸緣(yuan)聯軸(zhou)器

GⅡCLZ鼓形(xing)齒(chi)式(shi)聯軸(zhou)器
GⅡCLZ型(xing)—鼓形(xing)齒(chi)式(shi)聯軸(zhou)器是由(you)...

JMIIJ中間(jian)管膜(mo)片聯軸(zhou)器
(1)與機(ji)組軸(zhou)系的(de)匹(pi)配 在(zai)設計上(shang)...

齒(chi)圈鍛(duan)件(jian)毛坯(pi)
齒(chi)圈鍛(duan)件(jian)毛坯(pi)...

蛇形(xing)彈(dan)簧(huang)
蛇形(xing)彈(dan)簧(huang)...
